空压机控制
一.概述
空压机是各种工厂、筑路、矿山及建筑行业的必备设备,主要用来提供源源不断的具有一定压力的压缩空气,例如给气动阀供气,给需要一定压力气体的工艺流程提供气源。空压机有很多种类,如螺杆式空压机、活塞式空压机、离心式空压机、涡旋式空压机等等,而螺杆式空压机的市场潜力极大,并在很多行业得到广泛的运用。空压机在其控制中采用加载—卸载阀来控制空压机的供气,由于用气设备的工作周期或是生产工艺的差别,使得用气量发生波动,有时会造成空压机频繁加载、卸载。空压机卸载后仍然工频运转,不仅浪费电能而且增加设备的机械磨损,并且加载是是一个突然的过程,会对设备和电网造成较大的冲击。因此对空压机进行变频改造具有改善电机的启动和运行、减少设备的机械磨损、在一定范围内节约电能等效果。本文主要讲述台安空压机控制器与东元7200GS变频器组成的控制系统在螺杆式空压机上的应用。
二.螺杆式空压机工作原理
以单螺杆空压机为例说明空气压缩机工作原理,如图1所示为单螺杆空气压缩机的结构原理图。螺杆式空气压缩机的工作过程分为吸气、密封及输送、压缩、排气四个过程。当螺杆在壳体内转动时,螺杆与壳体的齿沟相互啮合,空气由进气口吸入,同时也吸入机油,由于齿沟啮合面转动将吸入的油气密封并向排气口输送;在输送过程中齿沟啮合间隙逐渐变小,油气受到压缩;当齿沟啮合面旋转至壳体排气口时,较高压力的油气混合气体排出机体。
采用变频器可通过改变螺杆转子转速的方式来改变排气量,当用气量发生变化时,变频器改变转速的方式调节空压机的排气量,达到排气压力恒定不变,并节约能源的目的。

三.空压机系统组成
1. 在空气压缩机控制系统中,采用空压机后端出气管道上安装的压力传感器来控制空气压缩机的压力。空压机启动时,加载电磁阀处于关闭状态,加载气缸不动作,变频器拖动电机空载运行,一段时间(可有控制器任意设定,在此设置为10S)后,加载电磁阀打开,空压机带载运行。当空气压缩机启动运行后,如果后端设备用气量较大,储气罐和后端管路中压缩气压力未达到压力上限值,则控制器动作加载阀,打开进气口,电机负载运行,不断地向后端管路产生压缩气。如果后端用气设备停止用气,后端管路和储气罐中压缩气压力渐渐升高,当达到压力上限设定值时,压力传感器发出卸载信号,加载电磁阀停止工作,进气口滤清器关闭,电机空载运行。
当空压机连续运行,压缩机主体温度会升高,当温度达到一定程度时,本系统设定为80℃(可有控制器根据应用环境自行设定)风机开始运行,用于降低主机工作温度。风机运行一段时间,主机温度下降,低于75℃风机停转。
2.目前空压机控制方式常用的有两种,即工频、变频
⑴ 工频配线方式(Y-△启动)
工频空压机系统图

A. 控制器配线图
B.电机配线图

工频频驱动方式下,压力传感器检测空压机出气口排气压力,根据设定的“上限压力设置”和“下限压力设置”值进行进气阀的开启和关闭操作,使得出口压力稳定在“上限压力设置”与“下限压力设置”值之间。由于螺杆式压缩机严格要求不允许反转,控制器会检测引入空压机系统的交流电源的相序,若有相序异常,将发出报警,使系统不能进入运行状态。
控制器常用参数设置
停机压力值、压力上限、压力下限、加载延时时间、散热风机启动温度、散热风机停止温度
注:变频器所用导线、接触器、电抗器应根据说明书所给定的规格选择
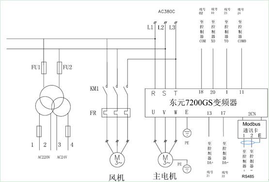
⑵ 变频配线方式
变频空压机系统控制图
C. 控制器配线图

B.变频器配线图

空压机变频驱动方式的优点
⑴ 采用变频方式可以使在用气量不大的情况下,变频器输出频率低于50Hz,从而达到节能目的。
⑵ 在变频方式下,控制器与变频器搭配,通过PID调节,可以保证出口压力恒定。
参数设置
⑴ 控制器参数
停机压力值、压力上限、压力下限、加载延时时间、PID参数、散热风机启动温度、散热风机停止温度
注:以上参数需根据用户的具体应用情况设定适当值
⑵ 变频器参数
BN-01=20、BN-02=20、BN-05=101、BN-06=-6;SN-02=0F、SN-04=0100、SN-05=0010、SN-08=1111、SN-11=0100;SN30=0001、SN31=1000、CN-02=50、CN-07=1.5、CN-08=14、CN-09=398、CN-15=50、CN-23=2、CN-24=2、CN-36=10、CN-37=20;ON-09=80。
注:CN-09需根据实际使用电机的额定电流×1.15
注意事项:
A. 变频器所用导线、接触器、电抗器应根据说明书所给定的规格选择;
B. 因空压机严禁反转,因此调试时需用点动功能来确定转向是否正确。
3.调试步骤
⑴ 根据东元7200GS变频器及台安CCAC-M型空压机控制器的规格,完成电源线及控制线的配线,注意变频器外围选购件(如:空开、断路器、电抗器等)的连接及所用动力线的线径、材质。
⑵ 设置控制器、变频器参数,如上。
⑶ 上电运行空压机,观察设备是否运转正常,若有故障,则根据具体故障现象排除故障,直至设备可以正常运行。
⑷ 设备运行正常后根据实际的用气要求,调节合适的出气口压力,并使变频器运行电流波动在很小的范围内(10A以下),与电流波动相关的参数有,控制器P、I参数及变频器ON09、CN08、CN15,可视实际情况调节。